Tel
0086-631-5981698


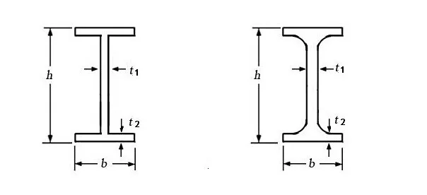
Steel H beam
Application of construction h steel :
H beam is widely used in various building structure and engineering structure:
a).used for the plant, high-rise building construction
b).used for the bridge, shipment building
c).used for lifting and transportation machinery, equipment manufacturing base building
d).used for the support, foundation pile manufacturing